乐盈llV
CN
close
首页
关于天沐
产品服务
压力传感器
位移传感器
称重传感器
扭矩传感器
液位传感器
温度传感器
仪器仪表
智能装备
行业应用
新闻动态
公司新闻
研发与服务
联系天沐
搜索
CN
首页
关于天沐
产品服务
压力传感器
通用压力传感器
小型压力传感器
高频动态压力传感器
压力开关
NS3051压力压差传感器
高纯压力变送器
位移传感器
位移传感器
角位移传感器
倾角传感器
磁栅位移传感器
陀螺仪
称重传感器
拉力传感器
称重传感器
放大器
扭矩传感器
静态扭矩传感器
动态扭矩传感器
液位传感器
油位传感器
水位传感器
温度传感器
温度开关
温度传感器
仪器仪表
NS-CK 智能控制器
YB04/YB05
电子压力扫描阀
协议下载
智能装备
NSF10 监测仪
NSD32 伺服压装机
NSD21 伺服压装机
行业应用
新闻动态
研发与服务
联系天沐
当前位置:
首页
>
产品服务
>
称重传感器
>
称重传感器
>
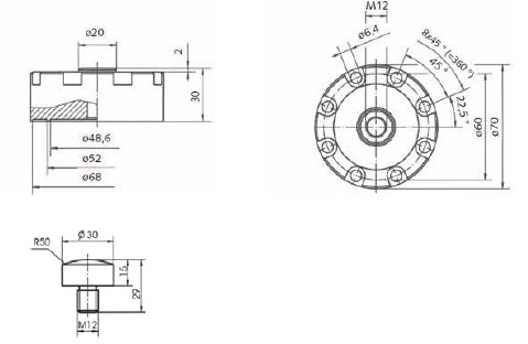
NS-TH3C 系列 称重传感器
压机专用
具有抗侧向力和偏载能力
动态响应高
航空插座,便于安装
不锈钢材质
文档下载
技术参数
外形尺寸图
接线定义
选型表
相关产品
NS-TH1 系列 称重传感器
NS-TH1 系列称重传感器具有过载保护装置;
测量精度高、温度特性好、工作稳定等优点;
广泛用于各种结构的动 、静态测量及各种电子称的
一次仪表。
More
NS-TH2D 系列 力传感器
中心通孔,端面受力
用于轴向测力和张力测试场合
More
NS-TH3 系列 称重传感器
NS-TH3 系列轮辐式称重传感器结构;
简单、坚固,具有抗侧向力和偏载能力强
重心低、便于安装等特点;
被广泛应用在自动化控制系统中作为称量、
测力等自动控制元件。
More
NS-TH3C 系列 称重传感器
压机专用
具有抗侧向力和偏载能力
动态响应高
航空插座,便于安装
不锈钢材质
More
NS-TH4 系列 称重传感器
NS-TH4 系列称重传感器采用悬臂剪切结构;
具有精度高、安装容易、使用方便等特点;
可用于各种电子汽车衡、单轨吊称、料斗称。
More
NS-TH5 系列 称重传感器
NS-TH5 系列称重传感器,采用优质铝合金制作;
具有良好的抗腐蚀性和长期稳定性;
它结构小巧、美观、安装方便;
广泛应用于小型电子台秤、手提称等有关电子
衡器的一次仪表。
More
NS-TH17系列 称重传感器
NS-TH17 系列称重传感器结构小巧,高度低
可选择胶封与焊接密封两种形式,全不锈钢材质,抗腐蚀;
适用于平台称、汽车衡、轨道衡及自动化测控领域。
More
NS-TH18 系列 称重传感器
NS-TH18 系列称重传感器结构小巧,高度低,抗偏载能力好
是TH17系列的升级产品
用于汽车压装,自动化设备等领域
More
021-54265735
联系天沐
首页
关于天沐
产品服务
压力传感器
位移传感器
称重传感器
扭矩传感器
液位传感器
温度传感器
仪器仪表
智能装备
行业应用
新闻动态
公司新闻
研发与服务
联系天沐
Copyright © 上海天沐传感器有限公司 版权所有
拉力传感器
备案号: 技术支持: