乐盈llV
CN
close
首页
关于天沐
产品服务
压力传感器
位移传感器
称重传感器
扭矩传感器
液位传感器
温度传感器
仪器仪表
智能装备
行业应用
新闻动态
公司新闻
研发与服务
联系天沐
搜索
CN
首页
关于天沐
产品服务
压力传感器
通用压力传感器
小型压力传感器
高频动态压力传感器
压力开关
NS3051压力压差传感器
高纯压力变送器
位移传感器
位移传感器
角位移传感器
倾角传感器
磁栅位移传感器
陀螺仪
称重传感器
拉力传感器
称重传感器
放大器
扭矩传感器
静态扭矩传感器
动态扭矩传感器
液位传感器
油位传感器
水位传感器
温度传感器
温度开关
温度传感器
仪器仪表
NS-CK 智能控制器
YB04/YB05
电子压力扫描阀
协议下载
智能装备
NSF10 监测仪
NSD32 伺服压装机
NSD21 伺服压装机
行业应用
新闻动态
研发与服务
联系天沐
当前位置:
首页
>
产品服务
>
扭矩传感器
>
动态扭矩传感器
>
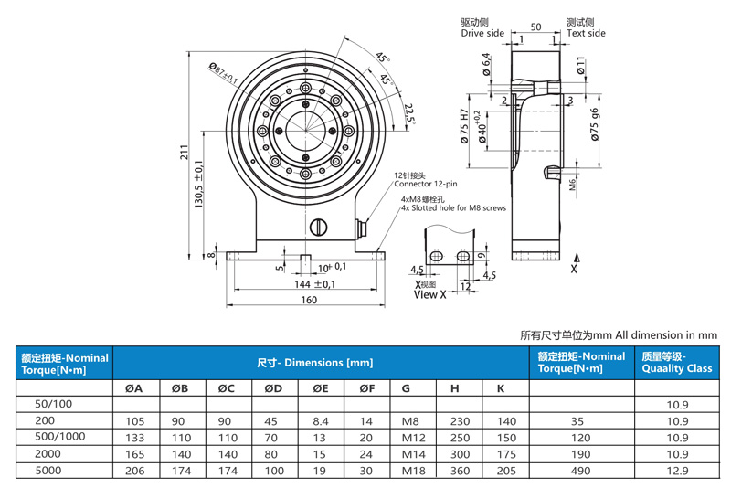
NS-NJ11系列 动态扭矩传感器
量程:0~500KN·m
输出:0~±5/10V、4~20mA可选
精度:≤±0.1%F.S
最大输出:12000 r/min
文档下载
技术参数
外形尺寸图
接线定义
选型表
相关产品
NS-NJ7系列 动态扭矩传感器
非接触
高扭转刚度
高转速
可选择带转速/转角测量
More
NS-NJ9A系列 动态扭矩传感器
量程:0~5000N·m
输出:0~±5/10V、4~20mA可选
精度:≤±0.3%F.S
More
NS-NJ11系列 动态扭矩传感器
量程:0~500KN·m
输出:0~±5/10V、4~20mA可选
精度:≤±0.1%F.S
最大输出:12000 r/min
More
NS-NJ15系列 动态扭矩传感器
量程:0~20KN·m
输出:0~±5/10V、4~20mA可选
精度:≤±0.2%F.S
最大输出:12000 r/min
More
021-54265735
联系天沐
首页
关于天沐
产品服务
压力传感器
位移传感器
称重传感器
扭矩传感器
液位传感器
温度传感器
仪器仪表
智能装备
行业应用
新闻动态
公司新闻
研发与服务
联系天沐
Copyright © 上海天沐传感器有限公司 版权所有
拉力传感器
备案号: 技术支持: