乐盈llV
CN
close
首页
关于天沐
产品服务
压力传感器
位移传感器
称重传感器
扭矩传感器
液位传感器
温度传感器
仪器仪表
智能装备
行业应用
新闻动态
公司新闻
研发与服务
联系天沐
搜索
CN
首页
关于天沐
产品服务
压力传感器
通用压力传感器
小型压力传感器
高频动态压力传感器
压力开关
NS3051压力压差传感器
高纯压力变送器
位移传感器
位移传感器
角位移传感器
倾角传感器
磁栅位移传感器
陀螺仪
称重传感器
拉力传感器
称重传感器
放大器
扭矩传感器
静态扭矩传感器
动态扭矩传感器
液位传感器
油位传感器
水位传感器
温度传感器
温度开关
温度传感器
仪器仪表
NS-CK 智能控制器
YB04/YB05
电子压力扫描阀
协议下载
智能装备
NSF10 监测仪
NSD32 伺服压装机
NSD21 伺服压装机
行业应用
新闻动态
研发与服务
联系天沐
当前位置:
首页
>
产品服务
>
压力传感器
>
高纯压力变送器
>
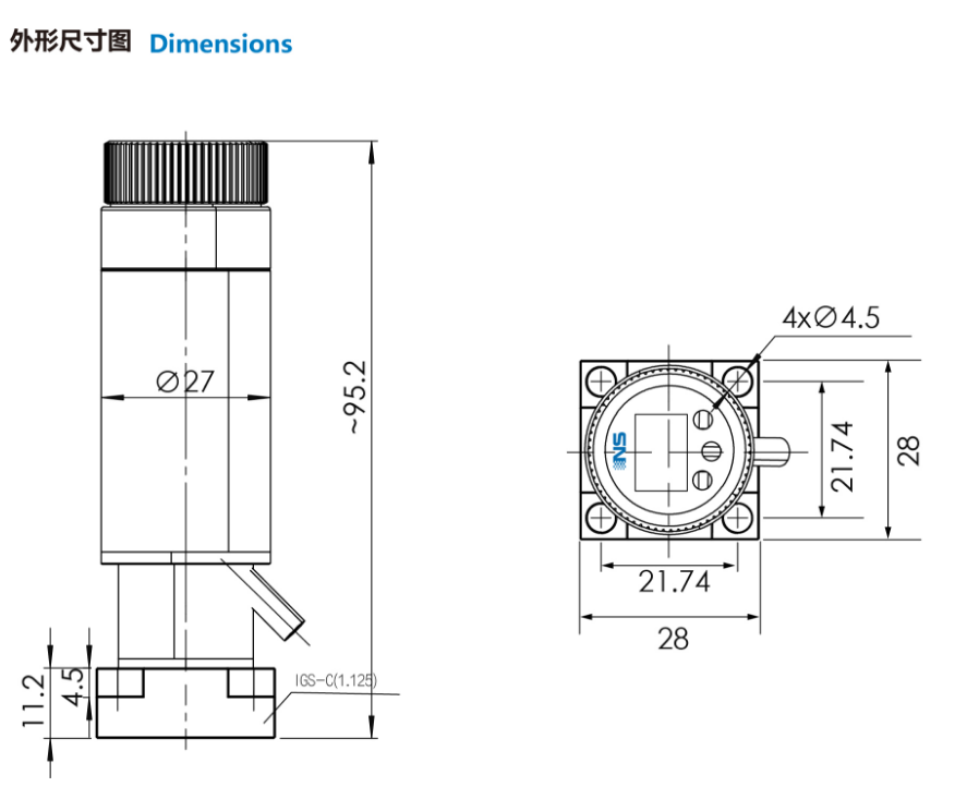
NS-PT11 系列 高纯压力变送器
专为半导体行业高纯工艺气体输送系统设计
应用:半导体工艺气体输送系统、高纯介质传输系统、电子特气系统
带数码管显示和按键控制,带一键清零功能
文档下载
技术参数
外形尺寸图
接线定义
选型表
相关产品
NS-PT10 系列 高纯压力变送器
专为半导体行业高纯工艺气体输送系统设计
应用:半导体工艺气体输送系统、高纯介质传输系统、电子特气系统
电位器实时调节零点
More
NS-PT11 系列 高纯压力变送器
专为半导体行业高纯工艺气体输送系统设计
应用:半导体工艺气体输送系统、高纯介质传输系统、电子特气系统
带数码管显示和按键控制,带一键清零功能
More
021-54265735
联系天沐
首页
关于天沐
产品服务
压力传感器
位移传感器
称重传感器
扭矩传感器
液位传感器
温度传感器
仪器仪表
智能装备
行业应用
新闻动态
公司新闻
研发与服务
联系天沐
Copyright © 上海天沐传感器有限公司 版权所有
拉力传感器
备案号: 技术支持: