乐盈llV
CN
close
首页
关于天沐
产品服务
压力传感器
位移传感器
称重传感器
扭矩传感器
液位传感器
温度传感器
仪器仪表
智能装备
行业应用
新闻动态
公司新闻
研发与服务
联系天沐
搜索
CN
首页
关于天沐
产品服务
压力传感器
通用压力传感器
小型压力传感器
高频动态压力传感器
压力开关
NS3051压力压差传感器
高纯压力变送器
位移传感器
位移传感器
角位移传感器
倾角传感器
磁栅位移传感器
陀螺仪
称重传感器
拉力传感器
称重传感器
放大器
扭矩传感器
静态扭矩传感器
动态扭矩传感器
液位传感器
油位传感器
水位传感器
温度传感器
温度开关
温度传感器
仪器仪表
NS-CK 智能控制器
YB04/YB05
电子压力扫描阀
协议下载
智能装备
NSF10 监测仪
NSD32 伺服压装机
NSD21 伺服压装机
行业应用
新闻动态
研发与服务
联系天沐
当前位置:
首页
>
产品服务
>
压力传感器
>
通用压力传感器
>
NS-P-I 系列 压力变送器
高精度型,极好的长期稳定性
最高精度可达0.02%Fs BSL
通过EMC、振动、冲击等测试
疲劳强度大于1000万次(10%F.S~100%F.S)
获得Exia,防爆证书
文档下载
技术参数
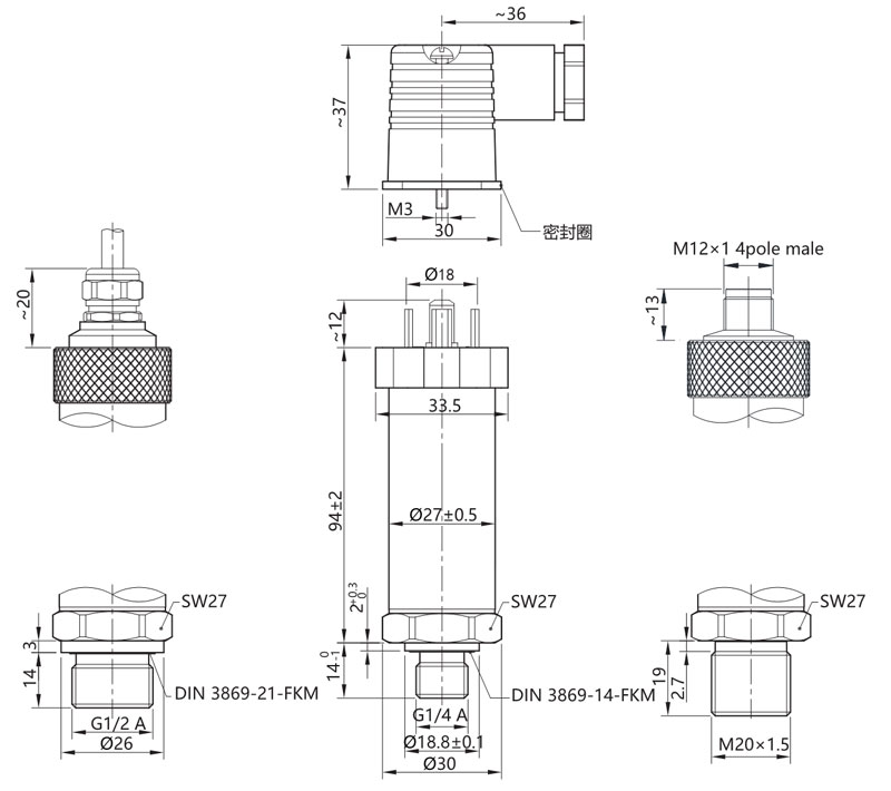
外形尺寸图
接线定义
选型表
相关产品
NS-P22 系列 压力变送器
经济型
为工程机械、制冷、自动化等行业设计
4~20mA、0~5/10V 输出可选
防护等级IP65/IP67
获得RoHs、CE认证
More
NS-P221系列 压力变送器
防爆型
为安防、冷链物流等行业设计
5V供电、0.5~4.5V 输出
防护等级IP67
获得RoHs、CE、 Ex iaⅡ CT4 Ga认证
More
NS-P42 系列 压力变送器
为钢铁、液压等行业设计
4~20mA、0~5/10V 输出可选
获得 RoHs、CE 认证
More
NS-P321 系列 压力传感器
为中央空调、制冷行业设计
通过盐雾、温湿度测试
1800VAC/s出色抗电强度
防护等级IP66
获得RoHs、CE认证
More
NS-P-I7系列 压力变送器
通用型
为自动化控制等行业设计
4~20mA、0~5/10V 输出可选
通过EMC、振动冲击等测试
通过CE认证
More
NS-P-I 系列 压力变送器
高精度型,极好的长期稳定性
最高精度可达0.02%Fs BSL
通过EMC、振动、冲击等测试
疲劳强度大于1000万次(10%F.S~100%F.S)
获得Exia,防爆证书
More
NS-P-G系列 压力变送器
为钢铁、能源行业设计
疲劳强度大于1000万次
防护等级IP65/IP67
超稳定性
More
NS-P-I5 系列 台式压力变送器
为石油、化工、水处理等行业设计
带LCD显示
零点、增益可(可用手操器校验)
极好的长期稳定性
获得RoHs、CE、Ex iaⅡ CT4 认证
More
NS-P32 系列 平膜压力传感器
精度高、使用温区宽
平膜、易清洗、耐冲击
EMC/EMI性能优越
More
NS-P33系列卡箍式平膜压力传感器
为食品,酿造行业设计
标准DN25、DN32,2寸卡箍型式可选
无腔易清洗
More
021-54265735
联系天沐
首页
关于天沐
产品服务
压力传感器
位移传感器
称重传感器
扭矩传感器
液位传感器
温度传感器
仪器仪表
智能装备
行业应用
新闻动态
公司新闻
研发与服务
联系天沐
Copyright © 上海天沐传感器有限公司 版权所有
拉力传感器
备案号: 技术支持: