乐盈llV
CN
close
首页
关于天沐
产品服务
压力传感器
位移传感器
称重传感器
扭矩传感器
液位传感器
温度传感器
仪器仪表
智能装备
行业应用
新闻动态
公司新闻
研发与服务
联系天沐
搜索
CN
首页
关于天沐
产品服务
压力传感器
通用压力传感器
小型压力传感器
高频动态压力传感器
压力开关
NS3051压力压差传感器
高纯压力变送器
位移传感器
位移传感器
角位移传感器
倾角传感器
磁栅位移传感器
陀螺仪
称重传感器
拉力传感器
称重传感器
放大器
扭矩传感器
静态扭矩传感器
动态扭矩传感器
液位传感器
油位传感器
水位传感器
温度传感器
温度开关
温度传感器
仪器仪表
NS-CK 智能控制器
YB04/YB05
电子压力扫描阀
协议下载
智能装备
NSF10 监测仪
NSD32 伺服压装机
NSD21 伺服压装机
行业应用
新闻动态
研发与服务
联系天沐
当前位置:
首页
>
产品服务
>
温度传感器
>
温度开关
>
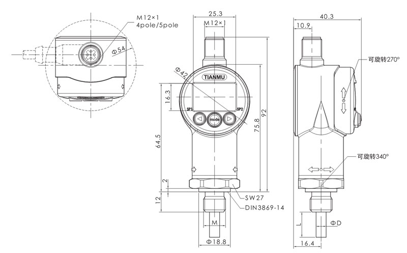
NS-T54 系列 温度开关
应用于工业、冶金及机械液压领域精度≤0.02% F.S.
4个字符的数字显示,实时显示设定值和
当前值,单位可以任选
设计紧凑,可随意转动调节,使用方便
可任意设置开关量动作
可程控
电磁兼容性好
良好的长期稳定性
防护等级IP67
文档下载
技术参数
外形尺寸图
接线定义
选型表
相关产品
NS-T54 系列 温度开关
应用于工业、冶金及机械液压领域精度≤0.02% F.S.
4个字符的数字显示,实时显示设定值和
当前值,单位可以任选
设计紧凑,可随意转动调节,使用方便
可任意设置开关量动作
可程控
电磁兼容性好
良好的长期稳定性
防护等级IP67
More
021-54265735
联系天沐
首页
关于天沐
产品服务
压力传感器
位移传感器
称重传感器
扭矩传感器
液位传感器
温度传感器
仪器仪表
智能装备
行业应用
新闻动态
公司新闻
研发与服务
联系天沐
Copyright © 上海天沐传感器有限公司 版权所有
拉力传感器
备案号: 技术支持: